Штифты

В данном разделе представлены образцы изделий, производство которых успешно освоено на нашем предприятии. Мы готовы изготовить для вас как представленную продукцию, так и новые изделия по вашим чертежам и техническим заданиям.
Штифт конический ГОСТ 3129-70

Штифт конический ГОСТ 3129-70

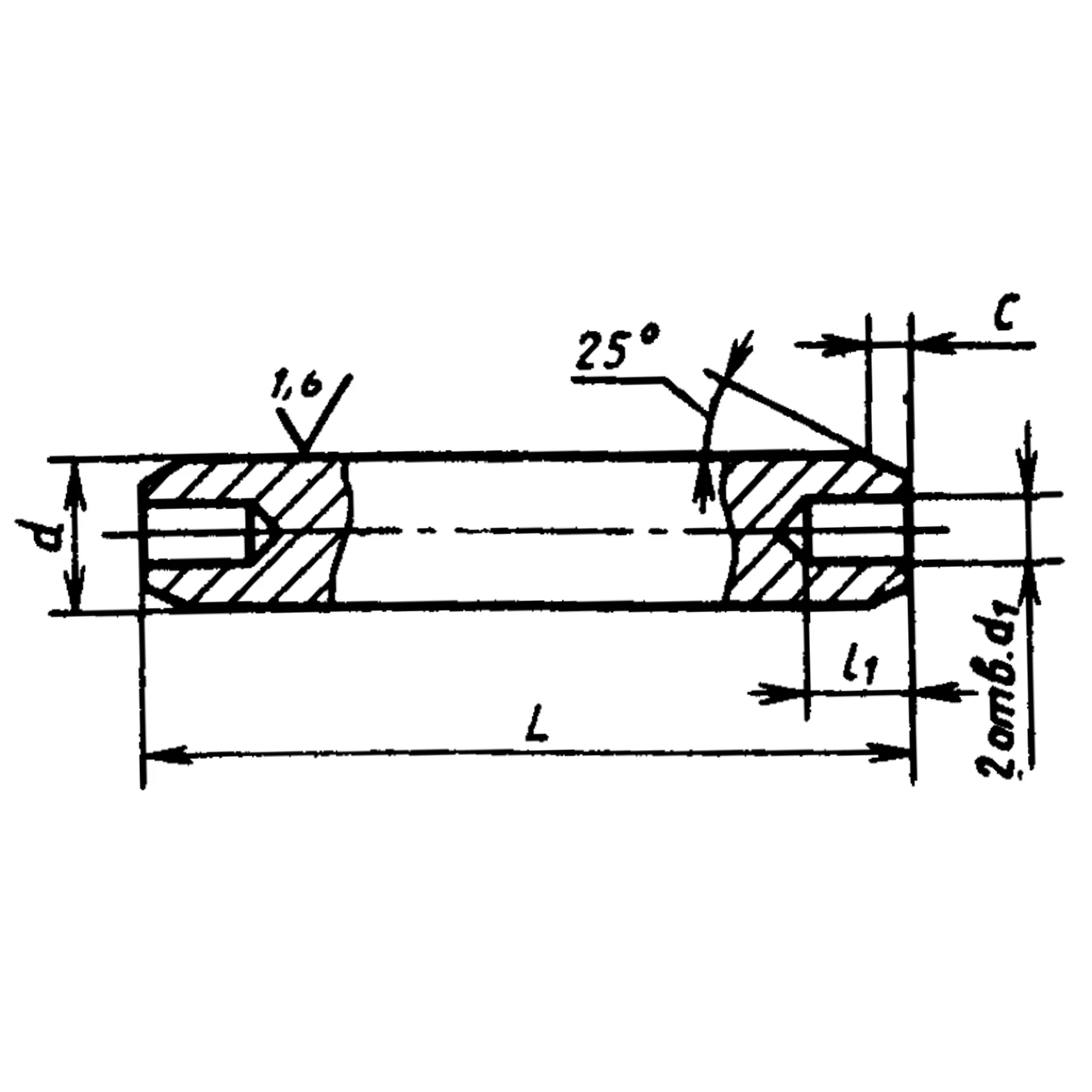
Штифт конический с внутренней резьбой незакаленный ГОСТ 9464-79

Штифт конический с внутренней резьбой незакаленный ГОСТ 9464-79

Штифт цилиндрический ГОСТ 3128-70

Штифт цилиндрический ГОСТ 3128-70

Штифт цилиндрический заклепочный ГОСТ 10774-80

Штифт цилиндрический заклепочный ГОСТ 10774-80

Штифты
Штифты
Штифты — это крепёжные изделия в виде стержней цилиндрической или конической формы, предназначенные для фиксации взаимного расположения деталей, передачи незначительных нагрузок и крутящих моментов, а также для использования в качестве осей в шарнирных соединениях. Штифты обеспечивают высокую точность центрирования, надёжность соединения и устойчивость к вибрационным нагрузкам в машиностроении и приборостроении.
Наше предприятие изготавливает штифты в строгом соответствии с требованиями государственных стандартов (ГОСТ), гарантируя точность геометрии, стабильность механических характеристик и соответствие материалов заявленным спецификациям.

Номенклатура и стандарты

В данном разделе представлена продукция, классифицированная по действующим нормативным документам:
  • ГОСТ 3128-70 — Штифты цилиндрические (незакалённые и закалённые) — универсальное решение для точного позиционирования деталей.
  • ГОСТ 3129-70 — Штифты конические — обеспечивают самоторможение и надёжную фиксацию без дополнительных крепёжных элементов.
  • ГОСТ 10774-80 — Штифты цилиндрические заклёпочные — для создания неразъёмных соединений методом расклёпывания.
  • ГОСТ 9464-79 — Штифты конические с внутренней резьбой незакалённые — для соединений, требующих периодической разборки и лёгкого извлечения штифта.

Типы конструктивного исполнения

В каталоге представлены штифты различных форм и назначений:
Тип штифта
Преимущества
Область применения
Цилиндрический
Высокая точность посадки, простота монтажа, универсальность
Точное машиностроение, приборостроение, фиксация узлов
Конический
Самоторможение, надёжная фиксация без гаек, компенсация износа
Ответственные соединения, вибрационные нагрузки, тяжелая техника
Заклёпочный
Создание неразъёмного соединения, высокая прочность на срез
Металлоконструкции, шарнирные узлы, постоянные соединения
С внутренней резьбой
Возможность вывинчивания, удобство обслуживания и ремонта
Съемные узлы, механизмы с частой разборкой, пресс-формы

Материалы изготовления

Для обеспечения требуемых механических свойств и коррозионной стойкости штифты изготавливаются из следующих материалов:
  • Стали углеродистые (Ст3, 45, А12) — базовое исполнение, в том числе с термообработкой (закалкой) для повышения твёрдости.
  • Стали легированные (40Х, 38ХА) — для высоконагруженных соединений и условий повышенного износа.
  • Стали нержавеющие (12Х18Н10Т, 20Х13) — для работы в агрессивных средах, пищевой и химической промышленности.
  • Латунь (ЛС59-1, Л63) — антикоррозионные свойства, электропроводность, применение в электротехнике.

Защитные покрытия

Для повышения долговечности и коррозионной стойкости штифты из углеродистых сталей подвергаются обработке согласно ГОСТ 9.303-84:
  • Цинкование (белое, жёлтое, радужное) — базовая защита от атмосферной коррозии.
  • Кадмирование — для условий повышенной влажности, морской среды и тропического климата.
  • Оксидирование (воронение) — декоративно-защитное покрытие с улучшенной износостойкостью.
  • Фосфатирование — для улучшения приработки и антифрикционных свойств.
  • Пассивация — для повышения коррозионной стойкости нержавеющих сталей и латунных изделий.

Контроль качества

Производство сопровождается многоступенчатым контролем:
  • Входной контроль сырья — химический состав, механические свойства, сертификаты поставщиков.
  • Геометрический контроль — точность диаметров, конусности, длины, шероховатость поверхности.
  • Контроль твёрдости — проверка закалённых штифтов на соответствие требованиям ГОСТ (HRC).
  • Контроль покрытий — толщина, адгезия, коррозионная стойкость (солевой туман, камерные испытания).
  • Приёмка по ГОСТ 17769-72 — выборочный и периодический контроль партий.

Область применения

Штифты находят широкое применение в:
  • Машиностроении и станкостроении;
  • Автомобилестроении и транспортной технике;
  • Авиационной и космической промышленности;
  • Приборостроении и средствах автоматизации;
  • Энергетическом оборудовании;
  • Ремонтно-восстановительных работах.

Нужна помощь с подбором? Если вы не нашли нужный типоразмер, требуется изготовление штифтов по индивидуальным чертежам или подбор аналога под ваш проект — свяжитесь с нашим отделом продаж. Мы поможем подобрать решение, соответствующее требованиям вашей конструкторской документации.

СВЯЖИТЕСЬ С НАМИ СЕЙЧАС!

© 2026 ТерМех - Промышленная высокоточная металлообработка
Информация, представленная на сайте https://trmh.ru, защищена авторским правом. Торговые марки, логотипы, изображения и фирменные наименования, используемые на сайте, принадлежат соответствующим правообладателям и используются исключительно в информационных целях. Данный информационный ресурс не является публичной офертой. Наличие и стоимость оборудования предварительно уточняйте по телефону у менеджеров. Производитель оставляет за собой право изменять технические характеристики и внешний вид товаров без предварительного уведомления.